来这里找志同道合的小伙伴!
Katy Perry“棱镜”世界巡回演唱会视频
凯蒂·佩里(Katy Perry)"棱镜"世界巡演,早已在欧美缔造英国售罄17场、北美售罄66场、澳大利亚和新西兰总计售罄25场的惊人记录。凯蒂·佩里KatyPerry让粉丝疯狂的不仅是她张力十足的舞台效果与精湛表演。
演唱会完整搭建视频
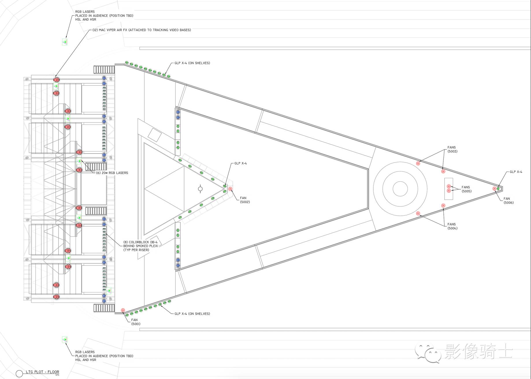
“图纸”
灯具数量
3D舞台模拟
“现场图片”
门票价格
『影像骑士』
WWW.YXQS.TV
演艺行业信息最新的媒体之一
点击下方“阅读原文”查看更多内容。
来这里找志同道合的小伙伴!
Katy Perry“棱镜”世界巡回演唱会视频
凯蒂·佩里(Katy Perry)"棱镜"世界巡演,早已在欧美缔造英国售罄17场、北美售罄66场、澳大利亚和新西兰总计售罄25场的惊人记录。凯蒂·佩里KatyPerry让粉丝疯狂的不仅是她张力十足的舞台效果与精湛表演。
演唱会完整搭建视频
“图纸”
灯具数量
3D舞台模拟
“现场图片”
门票价格
『影像骑士』
WWW.YXQS.TV
演艺行业信息最新的媒体之一
点击下方“阅读原文”查看更多内容。
功能介绍:『影像骑士』演艺行业内关注人数最多、信息最全的媒体平台、在这里你可以和30万小伙伴一起围绕着│创意设计│视觉影像 │舞台美术│展览展示│广告策划│摄影摄像│设备技术│等相关主题共同探讨与分享!
官方认证:广州成立娱乐演出器材有限公司
『影像骑士』演艺行业内关注人数最多、信息最全的媒体平台、在这里你可以和30万小伙伴一起围绕着│创意设计│视觉影像 │舞台美术│展览展示│广告策划│摄影摄像│设备技术│等相关主题共同探讨与分享!
